

— 合作品牌 —
咨詢電話 15301310116 手機:15301310116
微信:15301310116
郵箱:sales@madison-tech.com
地址:北京市海淀區中關村軟件園11號樓一層
大角閥MT221系列,CF法蘭,氣動驅動方式,帶波紋管。
產品詳情
大角閥MT221系列,CF法蘭,氣動驅動方式,帶波紋管。
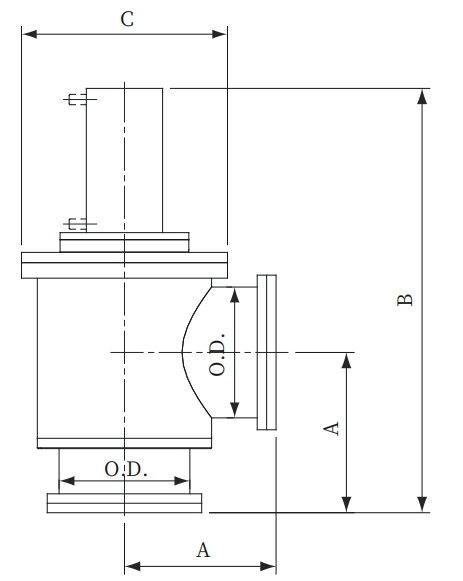
產品尺寸:

產品選型:
型號 | A | B | C | O.D. |
MT221-SSAV-C100-P2 | 118 | 356.6 | 151.6 | 101.6 |
MT221-SSAV-C150-P2 | 165.1 | 438.6 | 240 | 152.4 |
MT221-SSAV-C200-P2 | 215.6 | 629.7 | 250 | 203.2 |
MT221-SSAV-C250-P2 | 260.6 | 641.5 | 325 | 254 |
以上就是北京麥迪森科技有限公司提供的大角閥產品介紹,如想了解角閥價格,請咨詢客服15301310116(微信同號)。
